Des défauts découverts dans deux composants du tokamak d’Iter
Des fissures ont été découvertes sur le bouclier thermique et la cuve à vide du projet de réacteur thermonucléaire expérimental international (Iter). Les dirigeants du projet expliquent que cela aura un impact important sur le coût et le calendrier. Cependant des réparations vont pouvoir être effectuées.
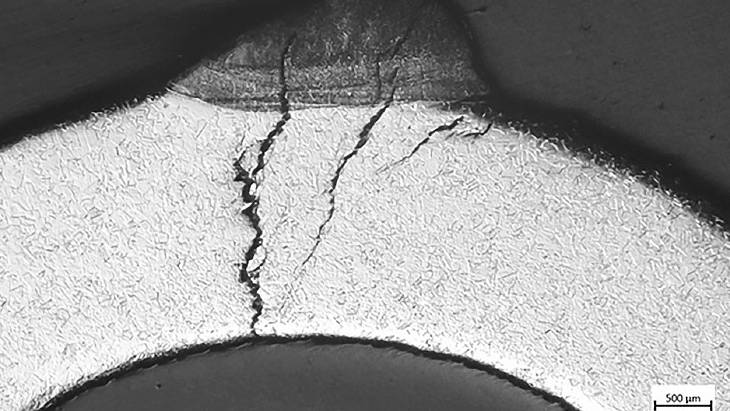
L’organisation Iter a déclaré qu’en novembre 2021, des tests à l’hélium ont permis de détecter une fuite sur un élément du bouclier thermique de l’enceinte à vide qui avait été livré en 2020. Il s’est avéré que la cause était un stress causé par le pliage et le soudage des tuyaux de fluide de refroidissement sur les panneaux du bouclier thermique « aggravé par une réaction chimique lente due à la présence de résidus de chlore dans certaines petites zones près des soudures des tuyaux ».
Cela a provoqué des « fissures de corrosion sous contrainte », a déclaré Iter, « et au fil du temps, des fissures d’une profondeur pouvant atteindre 2,2 mm se sont développées dans les tuyaux ». Les écrans thermiques de l’enceinte à vide ont une épaisseur d’environ 20 mm et contribuent à isoler le système d’aimants supraconducteurs fonctionnant à 4K, ou moins 269°C. Bien qu’il puisse s’agir d’un problème ponctuel, il aurait également pu toucher tous les composants du bouclier thermique : « Le risque est trop élevé et les conséquences d’une fuite d’un panneau du bouclier thermique pendant l’exploitation sont trop graves ».

Il a ajouté qu’il serait trop difficile de résoudre le problème sur le module assemblé dans la fosse, de sorte que « nous devons sortir le module installé et le démonter afin de procéder aux réparations. Nous explorons différentes possibilités, de la réparation sur site à la refabrication dans une installation extérieure, éventuellement avec différentes options de fixation des tuyaux ».
Pas trop tard
Les stratégies de réparation sont en train d’être affinées. Les évaluations de l’impact sur les délais et les coûts sont attendues, tandis que l’assemblage de la cuve à vide est mis en attente. Le premier plasma était prévu jusqu’alors en 2025 et le début de l’exploitation du deutérium-tritium en 2035. Le directeur général d’Iter, Pietro Barabaschi, a déclaré : « S’il y a une bonne chose dans cette situation, c’est qu’elle survient à un moment où nous pouvons y remédier. Le savoir-faire que nous sommes en train d’acquérir dans le traitement des composants uniques d’Iter servira à d’autres lorsqu’ils lanceront leurs propres projets de fusion. Il est dans la nature et la mission d’Iter, en tant qu’infrastructure de recherche unique et ambitieuse, de traverser toute une série de défis et de revers au cours de sa construction. Il est donc de notre devoir d’informer rapidement la communauté scientifique engagée afin qu’elle prenne des précautions lorsqu’elle traite le même type d’assemblages ».
Pour mémoire, Iter est un grand projet international de construction d’un tokamak de fusion à Cadarache, en France, conçu pour prouver la faisabilité de la fusion en tant que source d’énergie à grande échelle et sans carbone. L’objectif d’Iter est de fonctionner à 500 MW (pendant au moins 400 secondes en continu) avec une puissance d’entrée de 50 MW pour le chauffage du plasma. Trente-cinq nations collaborent à la construction Iter. L’Union européenne prend en charge près de la moitié du coût de sa construction, tandis que les six autres membres (Chine, Inde, Japon, Corée du Sud, Russie et États-Unis) contribuent à parts égales au reste. La construction a commencé en 2010. ■
Par Ludovic Dupin avec World Nuclear News
Photo 1 : Intérieur de la chambre à vide d’Iter – ©Iter
Photo2 : Les techniques d’investigation (tomodensitométrie à haute résolution, microscope électronique à balayage, spectromètre à rayons X à dispersion d’énergie et observation métallographique) ont révélé des fissures dans les tuyaux de refroidissement du bouclier thermique, comme celles que l’on voit ici, d’une profondeur de 2,2 mm et traversant toute la largeur du tuyau – ©ITER